introducción del producto
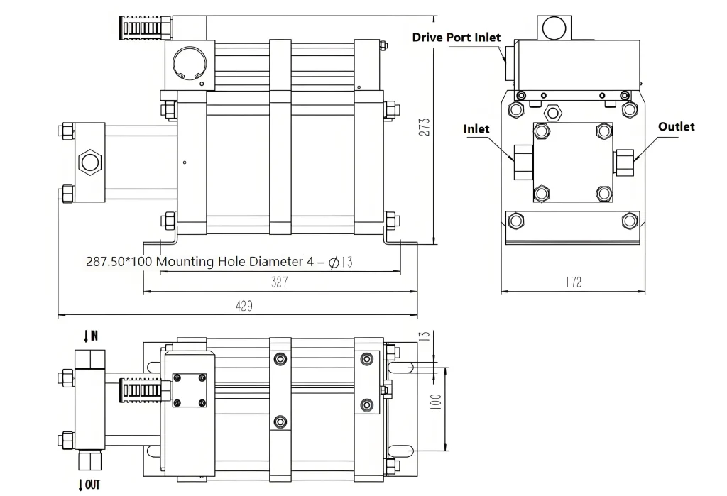
The Highlight OG-2 series pneumatic hydraulic pump is used to boost the pressure of oil, water, and chemical media. It features compact structure, low cost, and high efficiency. Its design principle is similar to a reciprocating piston intensifier. When the outlet pressure decreases, the hydraulic pump automatically starts to compensate pressure. The pressure can reach 600 MPa. The pump is driven by compressed air or inert gas.
Highlight provides suitable pneumatic hydraulic pumps according to application requirements. There are six series: M, MD, OS, OSD, OG, and OGD, which can meet different pressure and flow requirements, and different media can be matched with different pump types.

