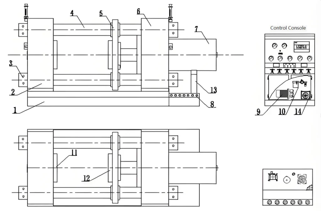
The MHV-HD1000/15-S is an integrated valve test bench combining the hydraulic system, electrical control system, high/low pressure water pump pressure supply device, oil/water/gas pressure instrumentation system, control valve system, clamping worktable system, and medium circulation storage tank.
The bench uses a horizontal top-press cylinder to directly apply axial pressing force on the tested valve end face. The sealing between the valve and blind plate adopts an end-face O-ring sealing method. During testing, pressure is supplied through the high/low pressure water system, and the system supports 4–7 bar low-pressure gas tightness test conditions (air or nitrogen) as specified.

| Category |
Artículo |
Especificación |
| General |
Tipo de producto |
Horizontal Top-Press Valve Test Bench |
| General |
Modelo |
MHV-HD1000/15-S |
| General |
Valve Size Range |
DN250–DN1000 (250–1000 mm) |
| Sealing |
Valve–Blind Plate Sealing |
End-face O-ring sealing |
| Medio de Prueba |
Hydrostatic Test Medium |
Water |
| Low-Pressure Tightness |
Test Condition |
4–7 bar (air or nitrogen) |
| Test Items |
Test Scope |
1.5× PN shell strength test; 1.1× PN high-pressure sealing test; 4–7 bar low-pressure gas tightness test |
| Test Range |
Applicable Test Size |
DN250–DN1000 |
| Mechanical |
Sealing Disc Spacing Range |
750–2250 mm |
| Mechanical |
Pull Rod Spacing |
1500 mm |
| Cylinder |
Top-Press Cylinder |
Ø680 mm |
| Force |
Max Top-Press Force |
1050 tons |
| Nominal Diameter |
Nominal Pressure |
Test Pressure Range |
| DN250 |
5.0–10.0 MPa (300–600LB) |
5.0–15.0 MPa |
| DN300 |
5.0–10.0 MPa (300–600LB) |
5.0–15.0 MPa |
| DN350 |
5.0–10.0 MPa (300–600LB) |
5.0–15.0 MPa |
| DN400 |
5.0–10.0 MPa (150–600LB) |
5.0–15.0 MPa |
| DN450 |
1.6–10.0 MPa (150–600LB) |
1.6–24.0 MPa |
| DN500 |
1.6–10.0 MPa (150–600LB) |
1.6–15.0 MPa |
| DN600 |
1.6–10.0 MPa (150–600LB) |
1.6–15.0 MPa |
| DN700 |
1.6–10.0 MPa (150–600LB) |
1.6–15.0 MPa |
| DN750 |
1.6–10.0 MPa (150–600LB) |
1.6–15.0 MPa |
| DN800 |
1.6–6.4 MPa (150–400LB) |
1.6–12.0 MPa |
| DN900 |
1.6–6.4 MPa (150–400LB) |
1.6–10.0 MPa |
| DN1000 |
1.6–6.4 MPa (150–400LB) |
1.6–9.6 MPa |
Product Features and Functions
- Horizontal top-press structure suitable for large valve pressure testing (DN250–DN1000)
- End-face O-ring sealing between valve and blind plate
- Supports complete test procedure:
- 1.5× PN shell strength test
- 1.1× PN high-pressure sealing test
- 4–7 bar low-pressure gas tightness test (air or nitrogen)
- Applicable valve types include flanged, welded, and threaded connections
- Suitable for gate valves, ball valves, check valves, and other valve categories within the specified size range
- Integrated system structure: hydraulic + electrical control + high/low pressure supply + instrumentation + circulation storage tank
Ventajas del producto
- Extra-high top-press capacity (1050 tons) for stable positioning during large-valve pressurization
- Wide mechanical adaptation range with sealing disc spacing 750–2250 mm and pull rod spacing 1500 mm
- Standardized test workflow coverage in one bench (strength + sealing + low-pressure tightness)
- Practical sealing method (end-face O-ring) aligned with bench testing requirements
- Size-focused design for DN250–DN1000 valves, reducing re-fixturing and improving test efficiency in large-valve inspection tasks
La fuerza de nuestra empresa
Highlight specializes in pressure testing equipment and fluid control testing systems, supporting standard models and project-based configurations:
- Más de 16 años centrados en equipos de pruebas de presión y sistemas de refuerzo neumático
- Capacidad de producción anual: más de 1.000 equipos
- Más de 8000 clientes atendidos
- Engineering team support for fixture matching, configuration selection, and technical communication
- ISO9001-based quality management implementation and stable manufacturing process
- Export support experience for international buyers with documentation and technical assistance
Water & Air Circuit Functional Notes and Required Conditions
Water & air circuit functional notes (as specified):
- Equipped with front and rear high/low-pressure water pumps
- Low-pressure pump: self-priming, large-flow water filling pump; full-load pressure 0–1.6 MPa
- High-pressure pump drive source: 4–7 bar pneumatic system reciprocating the plunger
- After reaching the required test pressure, the system does not have an automatic stop function
- Bottom is equipped with a circulating medium storage water tank; rust inhibitor (powder) is placed in the tank to prevent rust/corrosion of the tested valve, pipelines, and check valves
- Water and air pipelines are designed for one-way pressurization and pressure relief; when the set pressure holding time is reached, an audible and visual alarm is triggered
Required by user (as specified):
Buyer to provide 46# anti-wear hydraulic oil, cables, and 8 bar air source
Random accessory includes one set of end-face sealing disc